본문 바로가기
대메뉴 바로가기
충북 아키비움 근원을 기록하다
Webhard
로그인
검색
전체메뉴
전체메뉴
우리의 기억이
100년 뒤 문화유산이
됩니다.
아키비움 검색
Archive
상세검색
지역별 검색
충북일원
청주시
충주시
제천시
단양군
음성군
괴산군
증평군
진천군
보은군
영동군
옥천군
기타
시대별 검색
선사시대
청동기시대
철기시대
삼국시대
통일신라
고려시대
조선시대
일제강점기
근현대
시대미상
-
종목별 검색
국가지정
시도지정
시군지정
지정해제
비지정
기록물
충북실록
기타
매체별 검색
Archive
이미지
동영상
음원
문서
도면
3D
원시자료
충북유산
Archive
유산별 고시정보
유산별 보수정비
유산별 현상변경
유산별 학술자료
위원회
충북실록
Archive
충청북도지
실록지도
디지털연표
충북 이야기
Archive
그때, 그 시절의 충북
또 다른 기록, 발굴
문화유산의 과거여행
문화유산의 보존
충북 법규정보
충북 언론보도
충북 도서정보
아키비움 안내
Archive
공지사항
아키비움 소개
이용방법
자료통계
원문자료 신청
분쟁조정 신청
기록물 수집 안내
로그인
검색
아키비움 검색
상세검색
지역별 검색
충북일원
청주시
충주시
제천시
단양군
음성군
괴산군
증평군
진천군
보은군
영동군
옥천군
기타
시대별 검색
선사시대
청동기시대
철기시대
삼국시대
통일신라
고려시대
조선시대
일제강점기
근현대
시대미상
-
종목별 검색
국가지정
시도지정
시군지정
지정해제
비지정
기록물
충북실록
기타
매체별 검색
이미지
동영상
음원
문서
도면
3D
원시자료
충북유산
유산별 고시정보
유산별 보수정비
유산별 현상변경
유산별 학술자료
위원회
충북실록
충청북도지
실록지도
디지털연표
충북 이야기
그때, 그 시절의 충북
또 다른 기록, 발굴
문화유산의 과거여행
문화유산의 보존
충북 법규정보
충북 언론보도
충북 도서정보
아키비움 안내
공지사항
아키비움 소개
이용방법
자료통계
원문자료 신청
분쟁조정 신청
기록물 수집 안내
닫기
무엇을 찾고 계신가요?
매체별 검색
HOME
매체별 검색
아키비움 검색
매체별 검색
충북유산
충북실록
충북 이야기
아키비움 안내
홈페이지가이드
도면
이미지
동영상
음원
문서
도면
3D
원시자료
공유
네이버 SNS
공유하기
트위터 SNS
공유하기
페이스북 SNS
공유하기
닫기
프린트
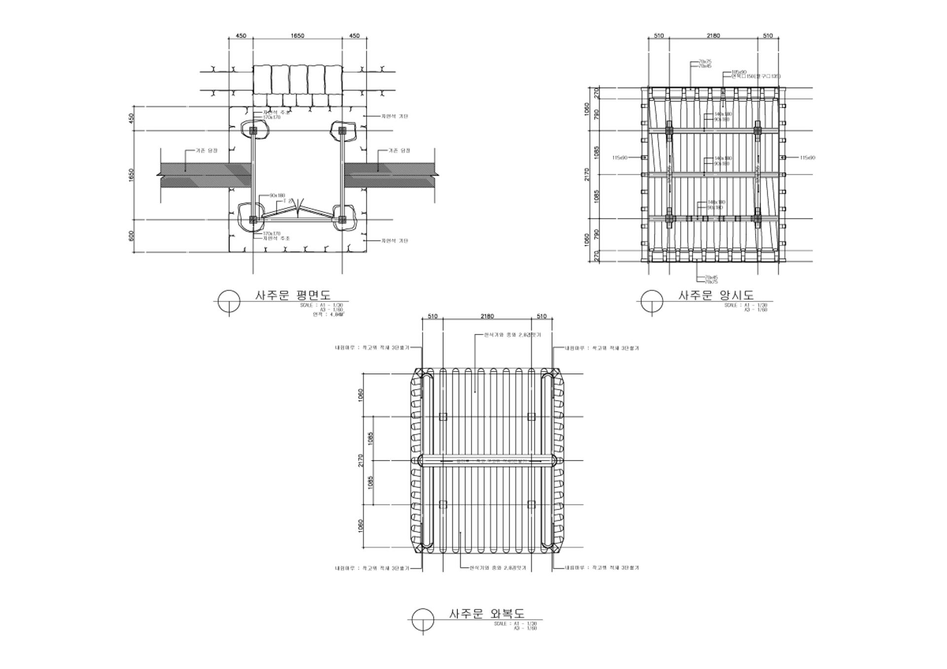
영동 세천재
종목
국가지정 > 보물
관할시군
영동군
출처
세천재 보수공사
세부설명
사주문 평면도 앙시도 와복도
첨부파일
뷰어보기
다운로드
생산일자
2010
제공기관
충청북도 영동군
저작권자
현석건축사사무소
저작권 동의
동의
출처표시 + 상업적 이용금지
저작자표시-비영리(BY-NC)
목록
배너모음
국가유산포털
무형유산 지식새김
국가유산 지식이음
국가유산수리종합정보시스템
국가유산공간정보서비스
이뮤지엄
충북문화유산활용사업
충청북도 전자도보
한국고전종합DB
한국사데이터베이스
학술연구정보서비스
충북학연구소
국가유산 지식이음
국가유산 디지털서비스
배너모음 이전
배너모음 재생
배너모음 정지
배너모음 다음